電話:400-9969-506
QQ:2741116952
郵箱:hongsen@hongszg.com
地址:深圳市龍華區龍華街道清湖社區清湖村寶能科技園12棟6層A座
貴州某白酒集團釀酒廠是國內著名的企業,占地面積83畝,2013年投入使用。
項目簡介
眾所周知,酒廠在生產加工的過程中,會產生很多污水,其廢水主要分為工業污水和生活污水兩個部分。工業污水主要來源于釀酒底鍋水、沖洗晾堂水、蒸酒冷卻水、鍋爐房排水和洗瓶水。據統計,該酒廠日產污水為4000噸,酒廠污水主要含二氧化碳、酒精、甲醇、甲醛、乙醛、蛋白質、淀粉、纖維素、維生素等,如果不安裝釀酒污水處理設備,對環境的影響,其后果不可估量。

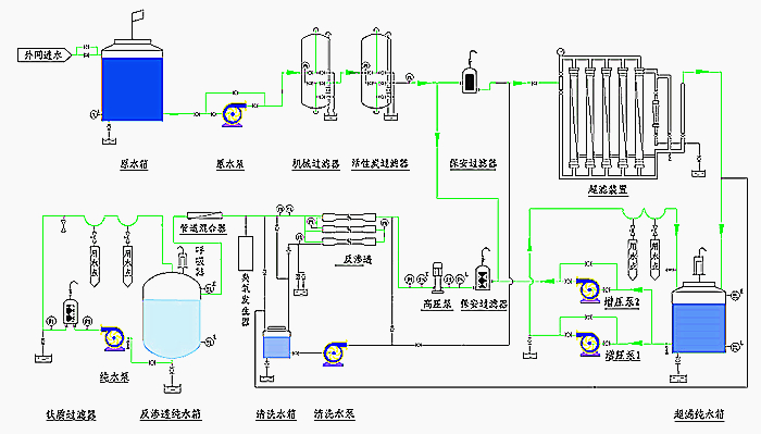
工藝流程

宏森環保設備優勢:
1、技術成熟;
2、操作簡單;
3、出水穩定;
4、投資低;
5、運行成本低。
處理結果:
經二合污水處理廠處理后的污水排放至赤水河,出水排放執行《城鎮污水處理廠污染物排放標準》(GB18918-2002)一級B標準。